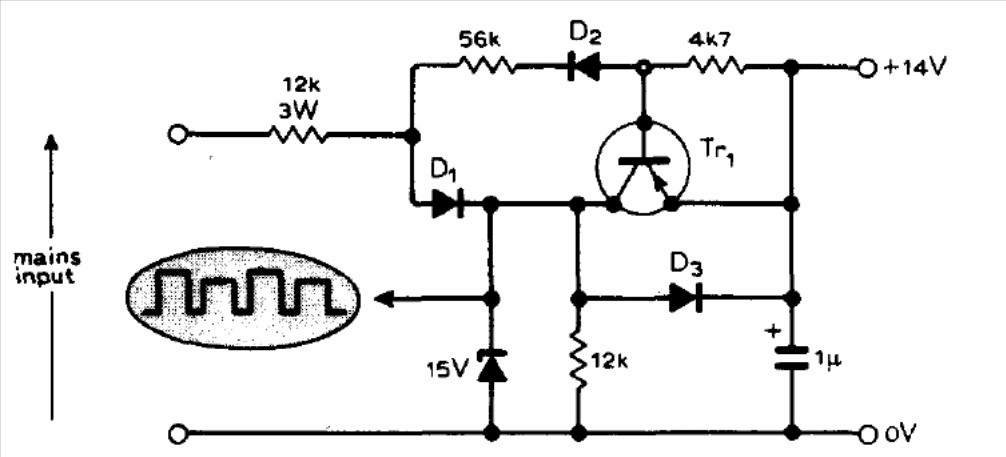
This circuit, found in a 1977 documentation, indicates when the grid voltage goes through zero. Under these conditions, it produces an output pulse whose duration depends on the capacitor.
In the original version of this 1987 circuit, the loads are lamps, but it can be adapted to drive a...
We found this circuit in a Radio Electronics from the 90s. Transistors admit current equivalents,...
This CMOS frequency meter can measure frequencies up to about 1 MHz with a 3-digit resolution. The circuit is...