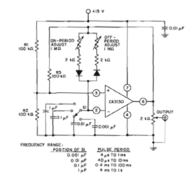
We found this circuit in the 1972 RCA Linear Integrated Circuits Manual. The circuit can generate signals in 4 bands and the maximum frequency depends on the characteristics of the integrated circuit. The power supply does not have to be symmetrical.




