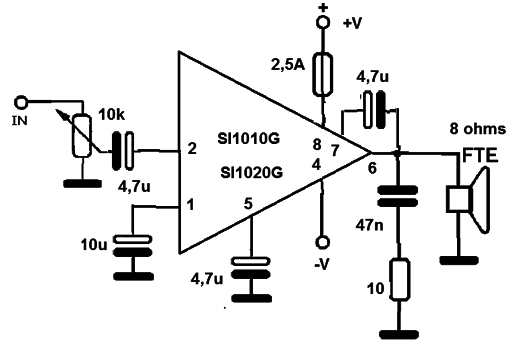
This amplifier uses hybrid modules Sanken and can provide powers of 10 W or 20, depending on the used module and the power supply. The circuit requires a well-planned board and a good area for the dissipation hybrid module. The sound quality obtained is excellent as the module has been used in many commercial products of the time (70 and 80). For the 10 W version use power transformer with 15 + 15 V x 3 A and for the 20 W version, transformer with 18 + 18 V 3 x A. The diodes are 2 or more and the filter capacitor 3 300 µF or more. Double the current must be provided in stereo version.




