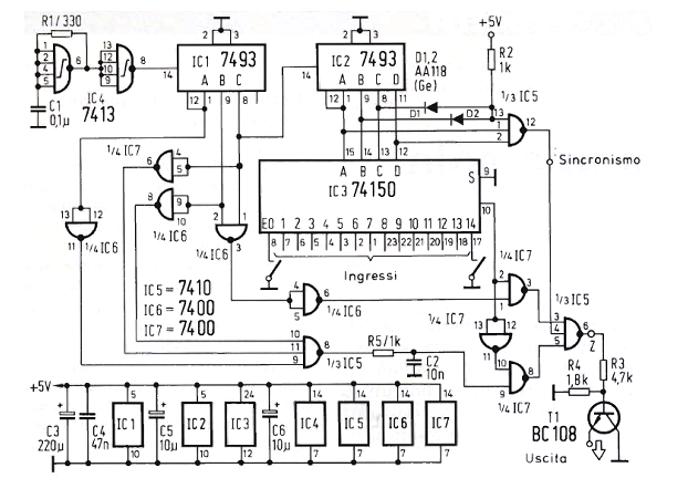
This decoder TTL circuit for 15-channel remote control was found in Selezione Radio, Italian magazine of 1982 (number 20). The circuit must be powered by 5 V and the transistor can be the BC548.

This decoder TTL circuit for 15-channel remote control was found in Selezione Radio, Italian magazine of 1982 (number 20). The circuit must be powered by 5 V and the transistor can be the BC548.
