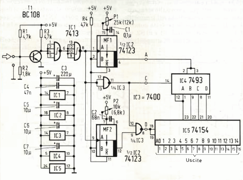
This circuit is the receiver for the CB13997E. The transistor can be the BC548. We also found this circuit in the Italian magazine Selezione Radio of 1982. The circuit must be supplied with 5 V and the adjustment of operation is made in the two potentiometers.




