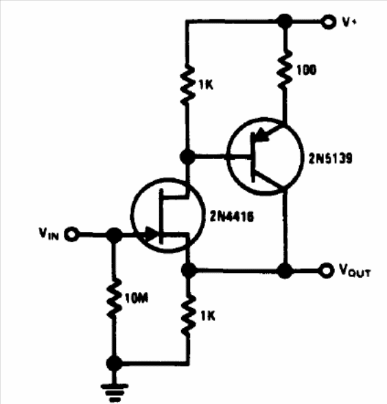
The circuit shown is from the 1994 Linear Applications Handbook by National Semiconductor. We can use equivalent components like BC558 for bipolar and BF245 for FET. The power can typically be between 9 and 15 V.

The circuit shown is from the 1994 Linear Applications Handbook by National Semiconductor. We can use equivalent components like BC558 for bipolar and BF245 for FET. The power can typically be between 9 and 15 V.
