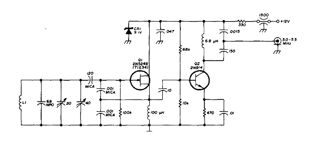
We found this circuit in a documentation for radio amateurs from 1975. The FET can be the BF245 and the bipolar 2N2222. The coil is formed by 34 loops of wire 24 in a toroidal core. The circuit must use ceramic capacitors. The output signal has a small intensity serving to excite higher power stages in transmitters.




