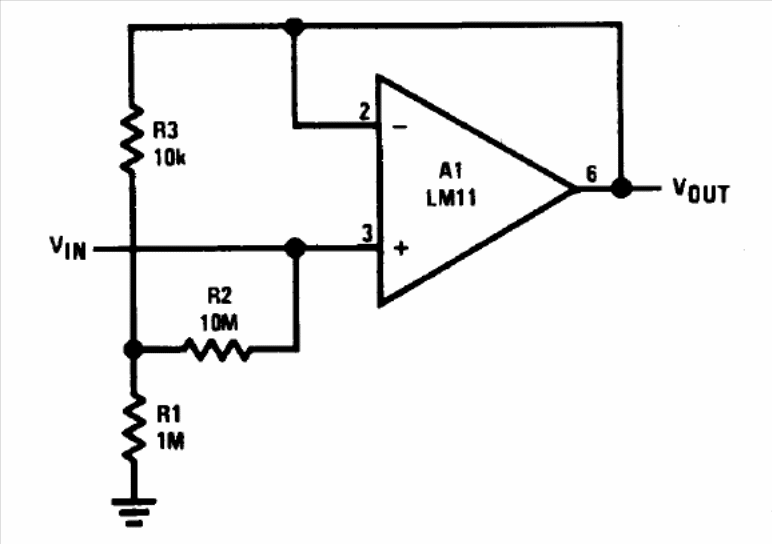
The configuration suggested by National Semiconductor in its 1994 Linear Applications Handbook uses an LM11 but can be used with other operators. The input resistance of this circuit is 1 Gigaohm.
The configuration suggested by National Semiconductor in its 1994 Linear Applications Handbook uses an LM11 but can be used with other operators. The input resistance of this circuit is 1 Gigaohm.