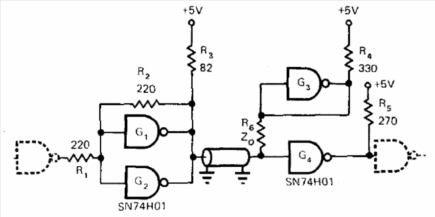
We found this circuit in a 1972 publication. The circuit is indicated for the application of TTL signals for transmission via coaxial cable. The circuit must be powered by a voltage of 5 V.
This simple digital circuit tester can work with TTL technology when powered by 5 V and with CMOS...
This circuit generates 24 V positive from a 12 V supply. The maximum output is 1 A and the power...
This small power supply for low currents (5mA) is suitable for power low-power TTL experimental circuits....