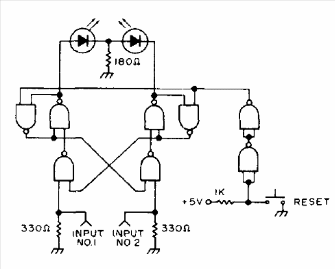
This circuit was obtained in an old American publication from 1974. The supply must be made with 5 V and the integrated circuits used are the 7400. See in the Databook the pinout of the 7400. LEDs are common.
This circuit was obtained in an old American publication from 1974. The supply must be made with 5 V and the integrated circuits used are the 7400. See in the Databook the pinout of the 7400. LEDs are common.