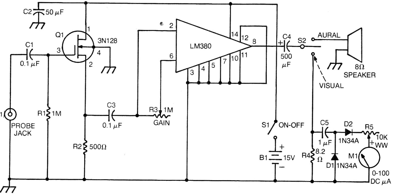
Both the field effect transistor and the integrated circuit of this 1970s circuit are no longer very common, but equivalents can be used. The circuit is a sensitive signal follower that must be powered by a source of at least 500 mA. The circuit also has a signal indicator that can be replaced by the lower current range of the multimeter. Do not use a source without a transformer to power this circuit. The signal input cable must be shielded.




