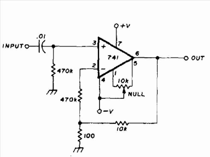
This traditional configuration is from a 1976 publication, showing that nothing has changed since then and that the circuit can be easily assembled today. The circuit can be powered by a symmetrical source of 6 to 12 V.
This traditional configuration is from a 1976 publication, showing that nothing has changed since then and that the circuit can be easily assembled today. The circuit can be powered by a symmetrical source of 6 to 12 V.