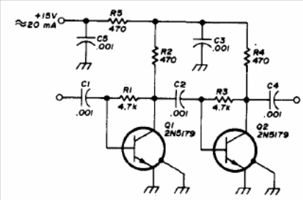
This circuit, from a 1975 technical documentation provides a gain of 14 dB at signals from 500 kHz to 500 kHz. The transistors used no longer exist, but modern broadband equivalents such as those of the BF series can be used, with cut-off frequencies according to the frequency of the signal to be amplified. Care with the board layout is important especially when operating at higher frequencies.




