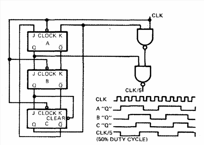
This circuit uses three flip-flops and two NAND ports to obtain a frequency division by 5, according to the timing diagram given next to the scheme. The circuit is from a 1972 publication and can be implemented with both TTL and CMOS technology.
This circuit uses three flip-flops and two NAND ports to obtain a frequency division by 5, according to the timing diagram given next to the scheme. The circuit is from a 1972 publication and can be implemented with both TTL and CMOS technology.