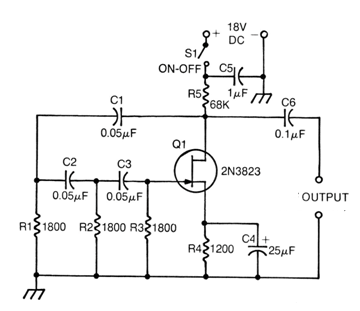
This circuit, from Motorola 1976 documentation, uses a common field effect transistor at the time. The same circuit can be assembled with more modern FETs like MPF106 or BF245. The frequency depends on the RC lagging network. See how to calculate the circuit for other frequencies in the math section of the author's website. The circuit has a very low consumption, of the order of 0.15 mA only. The signal generated is sinusoidal.




