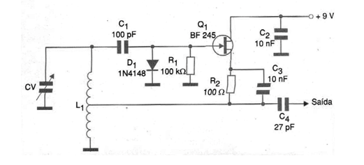
The Variable Frequency Oscillator (VFO) shown in the figure can generate signals in a frequency range determined by the coil and the variable. For frequencies between 1 and 5 MHz, for example, the variable can be of the common type found in medium wave receivers and the coil formed by 25 + 25 turns of wire 28 in a 0.8 to 1.0 cm ferrite rod. diameter and 12 to 15 cm in length. The circuit can generate signals up to close to 30 MHz, depending only on the values of the components used in the resonant circuit. Capacitors must be ceramic, and the junction field effect transistor (JFET) supports equivalents.




