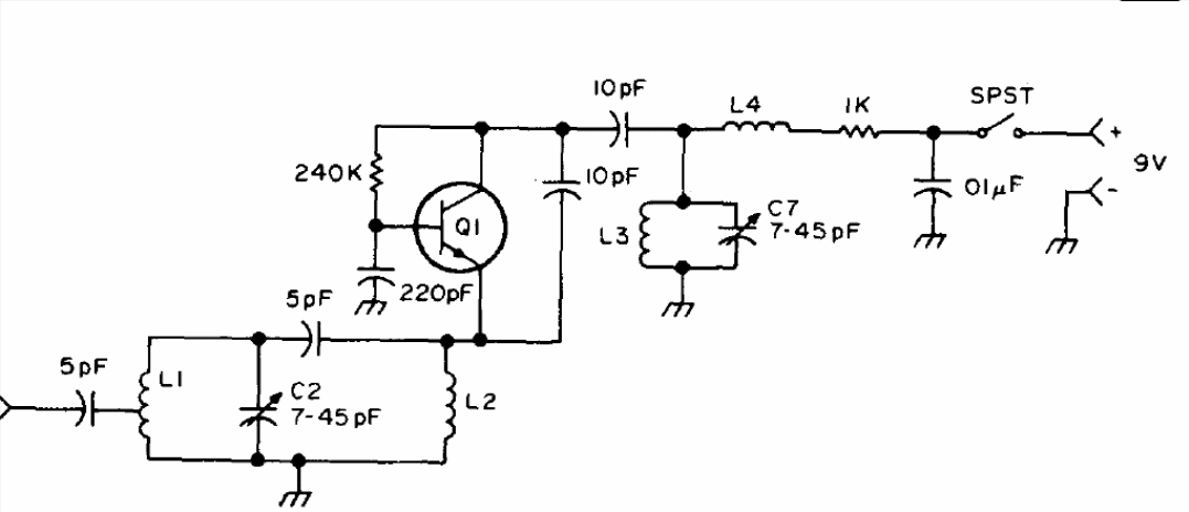
With this circuit, obtained from an American publication for radio amateurs in 1976, it is possible to receive signals in the VHF range from 150 to 220 MHz in a common AM receiver. The tuned L3 / C7 circuit must be set to an AM free frequency and placed next to the receiver. L2 and L4 are shocks of 100 uH and L1 should have 2 + 2 turns of wire 28 in the form of 0.5 cm without core. The circuit has low consumption and can be powered by battery.




