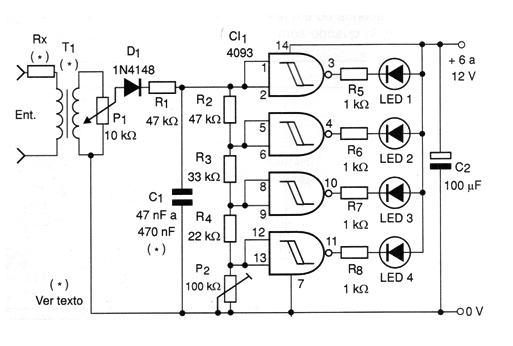
The circuit shown in the figure, activates a bar of 4 LEDs with an audio signal applied to its input. The resistors in series with the LEDs determine their brightness and can be reduced if the supply voltage is less than 9 V. The capacitor C1 determines the inertia of the system, that is, the speed with which it responds to variations in the audio signal of input. The transformer serves to isolate the audio circuit from the bargraph. Any small power transformer that has a primary winding for the power grid (which will be connected to the potentiometer) and a secondary 3 to 9 V with current in the range of 50 mA to 250 mA can be used. The potentiometer is used to adjust the operating point of the moving bar indicator according to the intensity of the input signal. The 100 k ohm trimpot is used to adjust the scale, so that all LEDs are off in the absence of a signal. In fact, this trimpot adjusts the scale range. The circuit can be adapted to operate with 2 4093 and thus trigger up to 8 LEDs on a scale. In this case, the input resistor network must be adapted. For a greater number of LEDs, however, the supply voltage must be between 9 and 12 V. The primary of the transformer is connected to the speaker output of the stereo. Rx depends on the power of the sound equipment, according to the following table:
Power/Rx
up to 5 W 10 ohms x ½ W
5 to 20 W 22 ohms x ½ W
20 to 50 W 47 ohms x 1 W
50 to 100 W 100 ohms x 1 W
more than 100 W 220 ohms x 1 W




