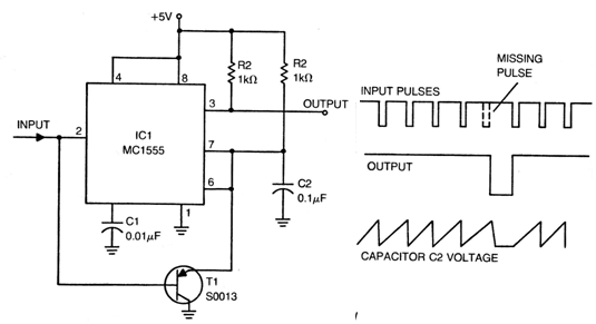
This traditional detector configuration is from an old publication where the MC1555 is the Motorola version of the 555 and the transistor can be the BC558. The signal generated by the circuit when a pulse in a sequence fails is shown next to the diagram. The power can be from 5 to 12 V depending on the type of application. The maximum duration of pulses and frequency is given by the characteristics of the 555.




