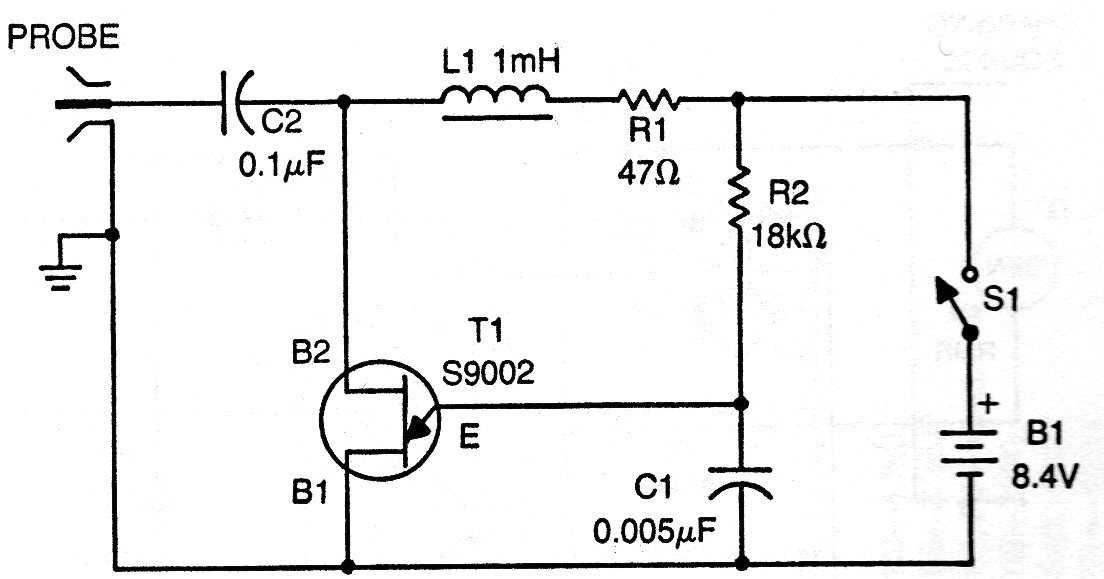
This unijunction relaxation oscillator can be used as a very useful signal injector. The circuit is from an American publication from the 70s and with the help of the inductor it generates many harmonics that make it useful in the repair of radio equipment. The unijunction transistor can be 2N2646 and the components can have their values changed for better performance. Power can be supplied with a 9 V battery.




