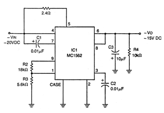
The integrated circuit used in this regulator is not easy to obtain, since the publication is from the 70s. The circuit provides an output of -15 V under current up to 300 mA with input of -20 V. The integrated circuit used has a metallic enclosure that facilitates heat dissipation.




