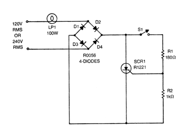
This circuit is only used for resistive loads such as incandescent lamps. The bridge diodes can be 1N4004 or 1N4007 for loads up to 100 W. The SCR can be any of the TIC series depending on the load and the supply voltage. The circuit is not isolated from the grid and the current in the switch is very low.




