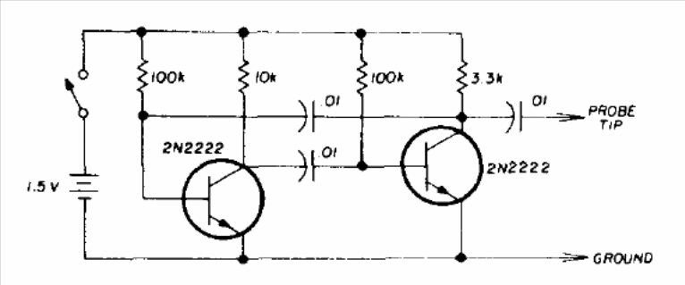
This traditional signal injector configuration was obtained in a 1977 amateur radio manual. The frequency is given by the capacitors and the supply can be made with 1.5 or 3 V.
This is a simple solution for old vehicles that do not have this feature, having been found in a...
Taking advantage of the high input impedance of the operational amplifier 741 and its high gain, we...
An interesting possibility of use for the 555 CMOS is as a low consumption LED flasher, as shown. In...