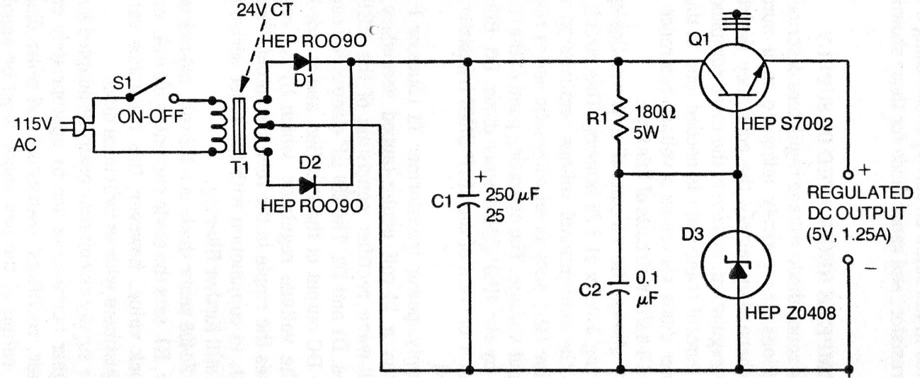
This common configuration source was obtained from old documentation, so the components can be changed to make the project viable today. We can use 1N4002 or 1N4004 diodes and the transformer can be 9 + 9 V or 12 + 12 V with 1.25 A or even 1 A. The filter capacitor is 220 uF or even 470 uF. The transistor can be the TIP31 with a radiator and the zener is 5V6. The circuit can be changed to provide other output voltages.




