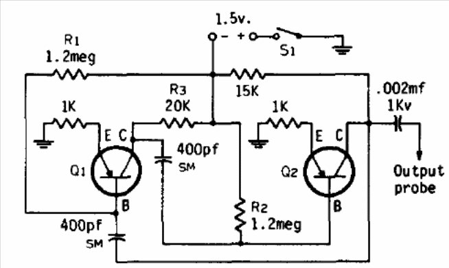
The transistors in this circuit can be the BC548 and the power can be made with 1.5 V or 3 V. The frequency is given by the capacitors that can have their values approximate to the current standard ones. The circuit is from a 1973 publication.
The transistors in this circuit can be the BC548 and the power can be made with 1.5 V or 3 V. The frequency is given by the capacitors that can have their values approximate to the current standard ones. The circuit is from a 1973 publication.