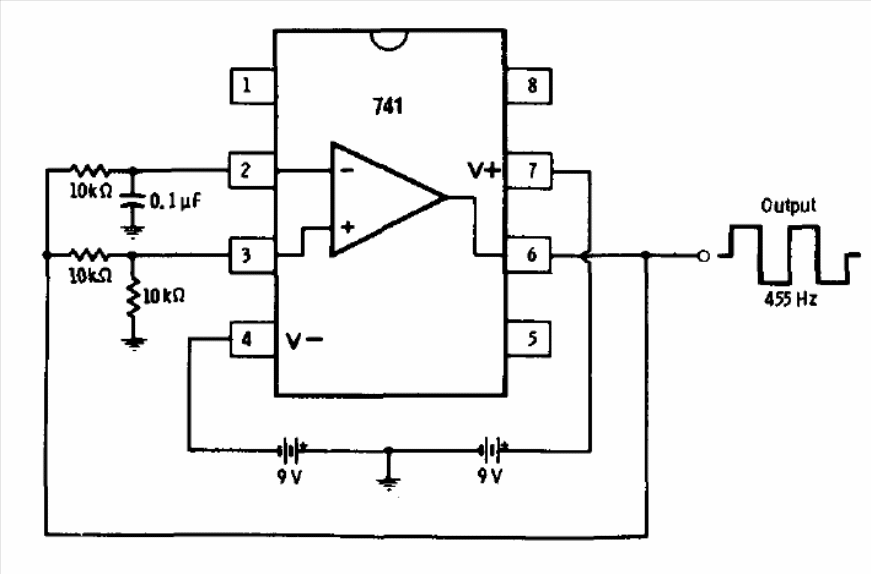
This circuit was obtained in a 1978 publication. The supply can be symmetrical from other voltages. Frequency can be changed by changing the capacitors.
To obtain a signal with a variable mark / space ratio in a ratio of 1 to 20 to 20 to 1, we have...
Other operational amplifiers series, such as the MC34072, MC34074, MC35071, MC35072, MC35074 d...
We found this sophisticated meter circuit in an article in Radio Electronics magazine from June...