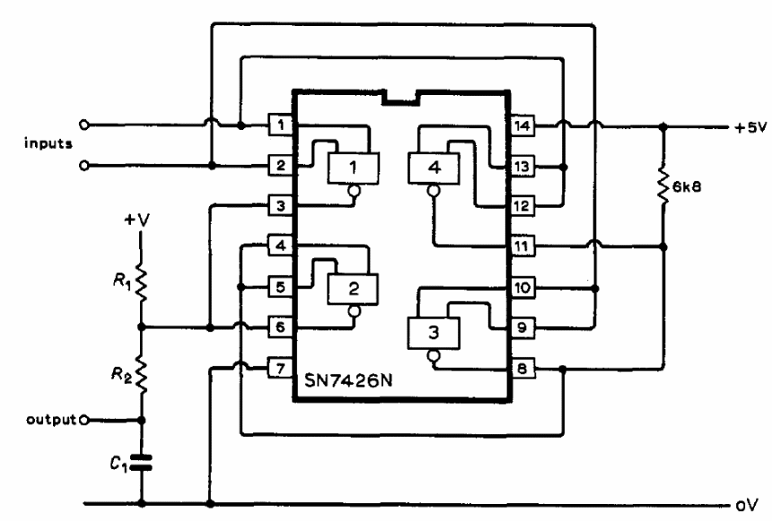
This circuit is from American documentation from 1973. It can be used to indicate when the logic input signals are out of phase. The circuit must be supplied with 5 V and the output must be calculated for the desired application.
This circuit is from American documentation from 1973. It can be used to indicate when the logic input signals are out of phase. The circuit must be supplied with 5 V and the output must be calculated for the desired application.