5874E)
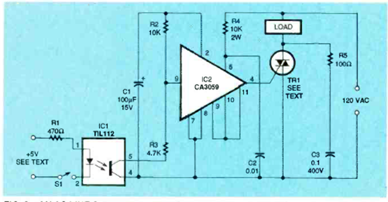
This circuit uses an optocoupler to switch a load on the power grid. The circuit is from Electronics Now magazine, July 1995. The CA3059 is not common today.
This 1992 circuit operates in the range of cordless phones used at the time. The circuit is based...
This different circuit uses a relay as an oscillator, whose frequency is determined by C1, and to...
This antenna or booster amplifier operates with signals from the midband (MW) range up to the VHF...