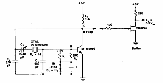
This circuit can generate 10 MHz signals depending on the crystal and has excellent stability. Transistors allow equivalents and power must be supplied with 5 V voltage.

This circuit can generate 10 MHz signals depending on the crystal and has excellent stability. Transistors allow equivalents and power must be supplied with 5 V voltage.
