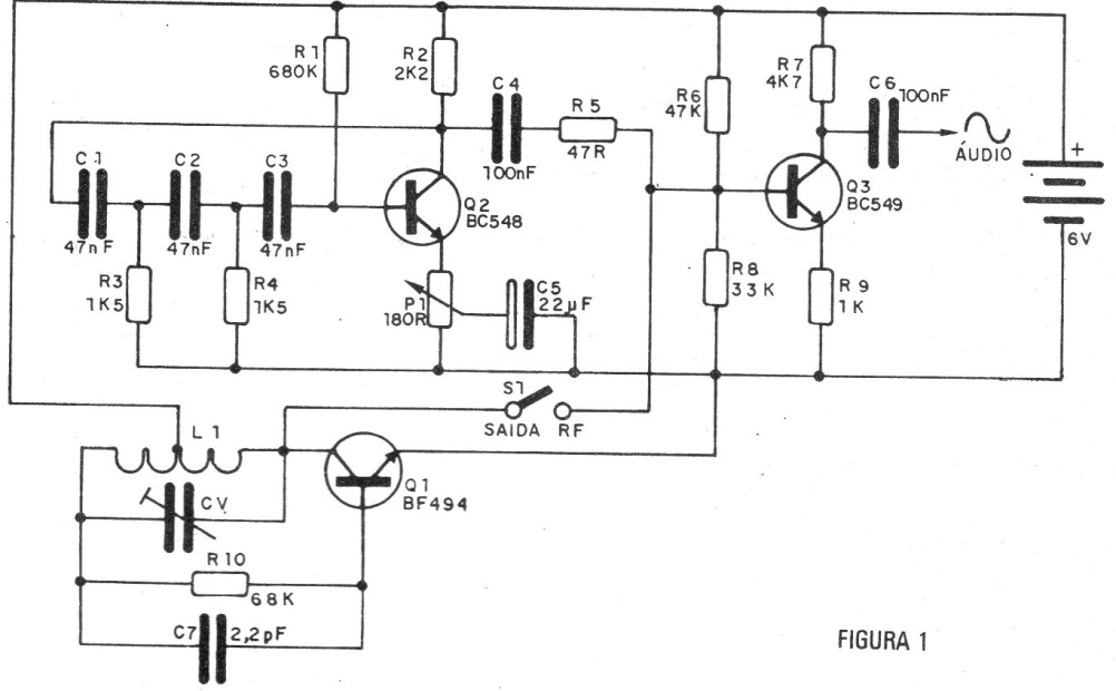
We find this simple tone modulated signal generator in a 1987 publication. It uses common components and the coil for the midrange consists of 40 + 40 turns of wire 28 in a ferrite rod about 15 cm in length. The other components are common and the circuit has a sine-wave audio output with a frequency of approximately 1 kHz. The components can be changed to obtain other frequencies.




