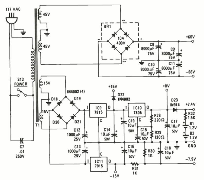
This is the power supply for the amplifier in the previous circuit. The voltage regulators must be equipped with a heat sink and the transformer is high current.
This circuit was obtained from the November 1989 issue of Radio Electronics magazine. The circuit is...
This simple digital frequency meter using CMOS circuits reaches 5 MHz frequency. Input signals are...
We found this circuit in the 1960 Mullard transistor manual. The transistor is made of germanium....