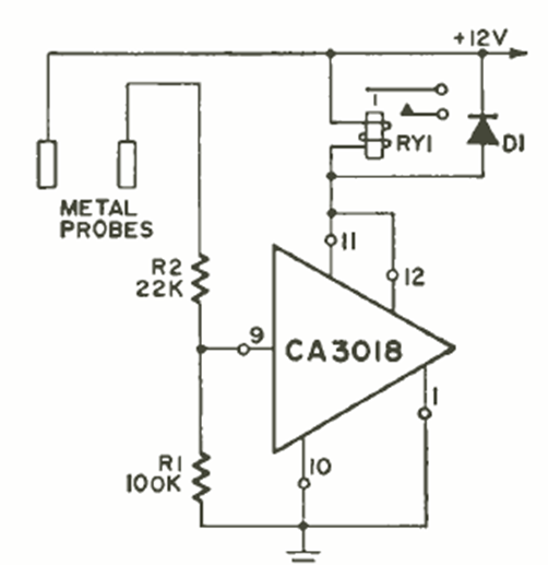
Using the CA3018 released at the time, this circuit was found in the August 1970 Radio Electronics magazine. The relay is a sensitive type of 50 mA or less current.

Using the CA3018 released at the time, this circuit was found in the August 1970 Radio Electronics magazine. The relay is a sensitive type of 50 mA or less current.
