This unijunction transistor trigger pulse generator circuit was found in the March 1973 issue of Radio Electronics magazine. Typical values for Re CT are 100k and 220 nF.
In the figure we have the transmitter of a data transmission system with optical fiber suggested by...
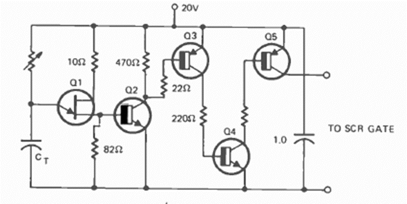
This circuit was found in a 1969s American documentation. With modern components, it can be used...
The maximum input voltage of this circuit is 20V and the output current is 250 mA. The circuit is from...