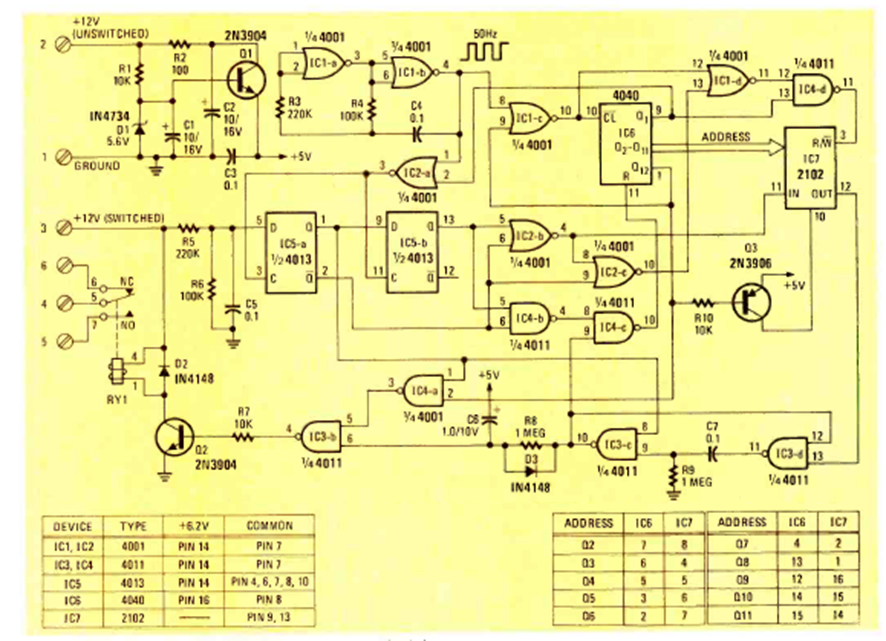
This sophisticated circuit was found in the November 1978 issue of Radio Electronics magazine. Based on CMOS logic, it has several types of timing, controlling the wiper relay.
In the figure we have the transmitter of a data transmission system with optical fiber suggested by...
This circuit was found in a 1969s American documentation. With modern components, it can be used...
The maximum input voltage of this circuit is 20V and the output current is 250 mA. The circuit is from...