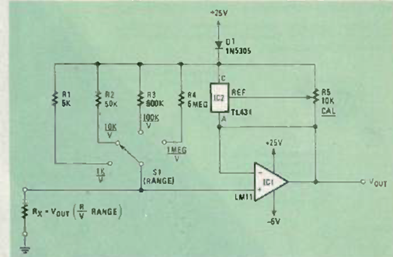
This regulator circuit was found in the June 1984 issue of Radio Electronics magazine. The LM11 is a power operator. Voltage selection is done by a switch,
In the figure we have the transmitter of a data transmission system with optical fiber suggested by...
This circuit was found in a 1969s American documentation. With modern components, it can be used...
The maximum input voltage of this circuit is 20V and the output current is 250 mA. The circuit is from...