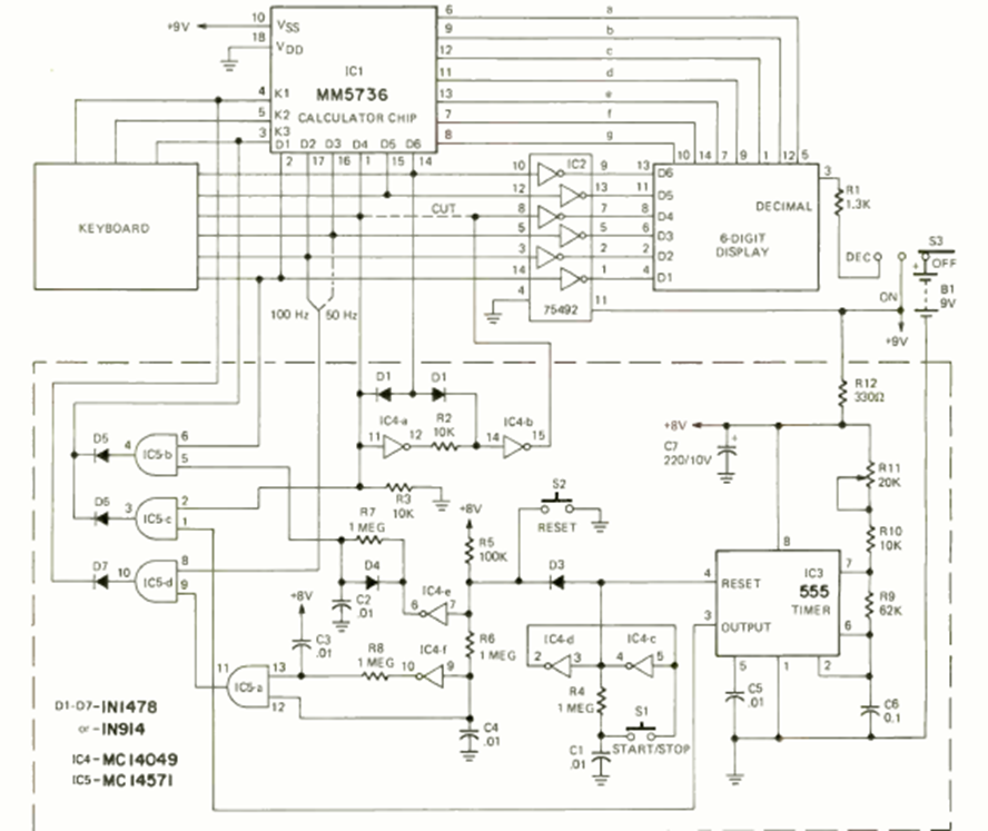
This circuit was found in February 1976, Radio Electronics magazine. The components are from the time and are based on the 555. The power supply must be provided with the indicated voltages.
In the figure we have the transmitter of a data transmission system with optical fiber suggested by...
This circuit was found in a 1969s American documentation. With modern components, it can be used...
The maximum input voltage of this circuit is 20V and the output current is 250 mA. The circuit is from...