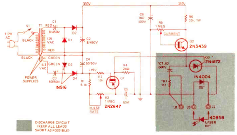
This is one of the first solid state laser projects. It was found in the June 1972 issue of Radio Electronics magazine. The circuit includes the power supply, and the article describes several experiments.
This is one of the first solid state laser projects. It was found in the June 1972 issue of Radio Electronics magazine. The circuit includes the power supply, and the article describes several experiments.