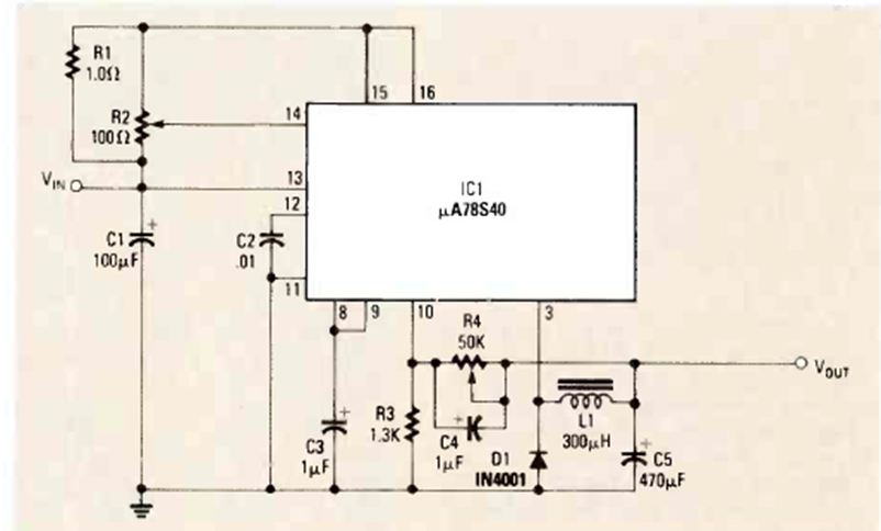
With a 10 V input this circuit provides a 25 V output. The circuit is from December 1985 Radio Electronics.
In the figure we have the transmitter of a data transmission system with optical fiber suggested by...
This circuit was found in a 1969s American documentation. With modern components, it can be used...
The maximum input voltage of this circuit is 20V and the output current is 250 mA. The circuit is from...