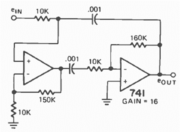
This filter with the 741 has a Q factor of 8 at the frequency of 1 kHz. The circuit is from a Radio Electronics from November 1973. The operational one is the 741 or equivalent.

This filter with the 741 has a Q factor of 8 at the frequency of 1 kHz. The circuit is from a Radio Electronics from November 1973. The operational one is the 741 or equivalent.
