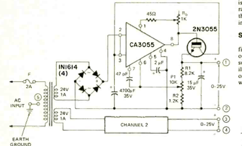
This circuit was found in a Radio Electronics magazine from November 1972. The circuit is based on an integrated circuit of the time and the current is 1 A and is adjusted with a potentiometer.
In the figure we have the transmitter of a data transmission system with optical fiber suggested by...
This circuit was found in a 1969s American documentation. With modern components, it can be used...
The maximum input voltage of this circuit is 20V and the output current is 250 mA. The circuit is from...