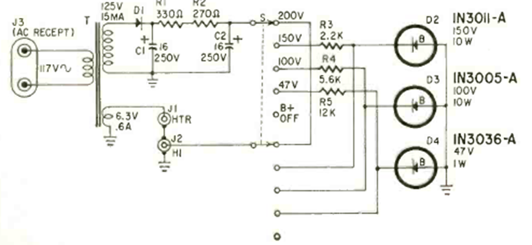
This circuit was obtained from the July 1970 issue of Radio Electronics magazine. Zeners are power types that can provide a good current to the circuit. Selection is made by rotary switch.
This circuit for signals up to 30 MHz can improve your reception in the medium and short-wave...
This circuit can be used as a shield for transmitting the temperature of a sensor. The circuit is from...
This astable multivibrator follows the traditional configuration for use as a signal injector, found in...