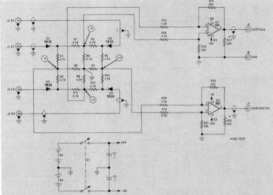
This signal multiplexer circuit for early low-frequency oscilloscopes was found in the May 1977 issue of Radio Electronics magazine. The circuit requires a symmetrical source.
This circuit for signals up to 30 MHz can improve your reception in the medium and short-wave...
This circuit can be used as a shield for transmitting the temperature of a sensor. The circuit is from...
This astable multivibrator follows the traditional configuration for use as a signal injector, found in...