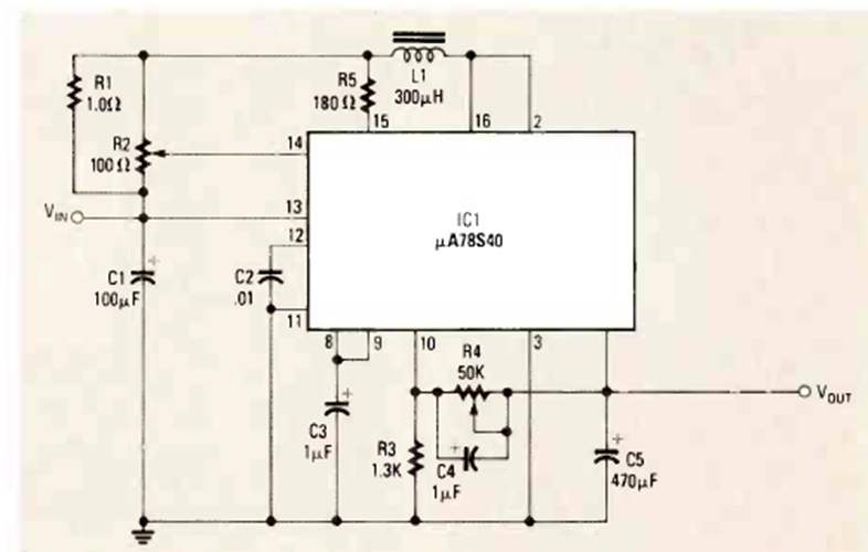
This step-down regulator was found in the December 1985 issue of Radio Electronics magazine. The circuit has an input voltage of 25V.
This circuit for signals up to 30 MHz can improve your reception in the medium and short-wave...
This circuit can be used as a shield for transmitting the temperature of a sensor. The circuit is from...
This astable multivibrator follows the traditional configuration for use as a signal injector, found in...