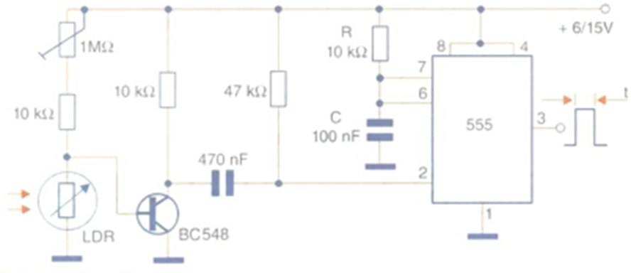
A first circuit that uses a phototransistor as a detector and is suitable for covering short distances (up to 10 mm), and can also be used as an optical switch, is shown in the figure. This circuit activates a relay when the light beam that hits the phototransistor is cut. For very short distances, the light source can be a visible or infrared light emitting diode. The relay has a coil of up to 50 mA and a voltage according to that used to power the stage. It is worth remembering that this circuit produces a pulse only during the time that the object cuts the light beam and that, therefore, it does not have monostable action.




