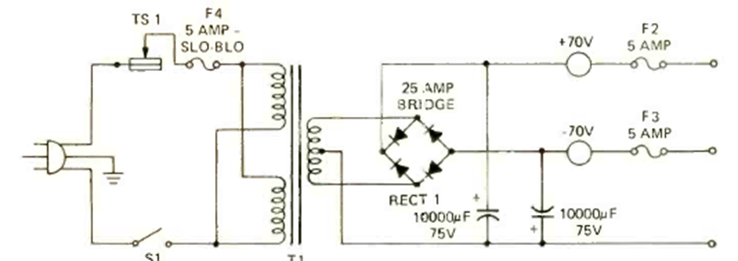
This circuit is the power supply for the amplifier in the previous circuit. The transformer is 5 A with a voltage of 45 V, obtaining 70 V after rectification.
Found in the October 1992 Radio Electronics magazine, this oscillator is controlled by switch S1....
This circuit was obtained in a 1976 amateur radio manual. The circuit can be made with a 2N2222...
The component used in this circuit is not very common today as the circuit is from the 80's. It...