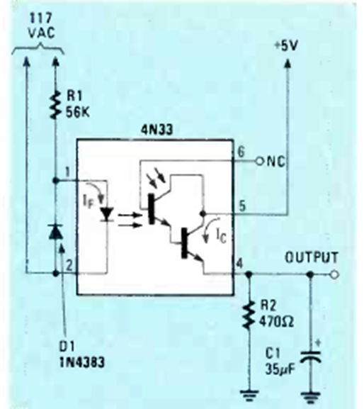
Using a 4N33 optical coupler, we have in the figure an optical interface for TRTL circuits, triggered by the power grid voltage. The circuit can be modified to interface other logics.

Using a 4N33 optical coupler, we have in the figure an optical interface for TRTL circuits, triggered by the power grid voltage. The circuit can be modified to interface other logics.
