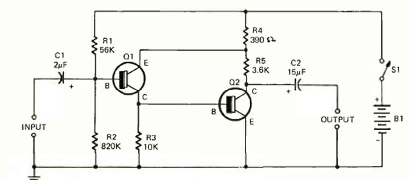
This general purpose two-transistor complementary configuration was found in the December 1972 issue of Radio Electronics magazine. The power supply is between 6 and 12 V.
This one-digit counter is part f the samples bench of the MultiSIM in one of its versions. The...
The FAN1117A and FAN1117A-5 integrated circuits from Fairchild consist of fixed and adjustable...
This circuit was found in the February 1970 issue of Radio Electronics magazine. The integrated circuit...