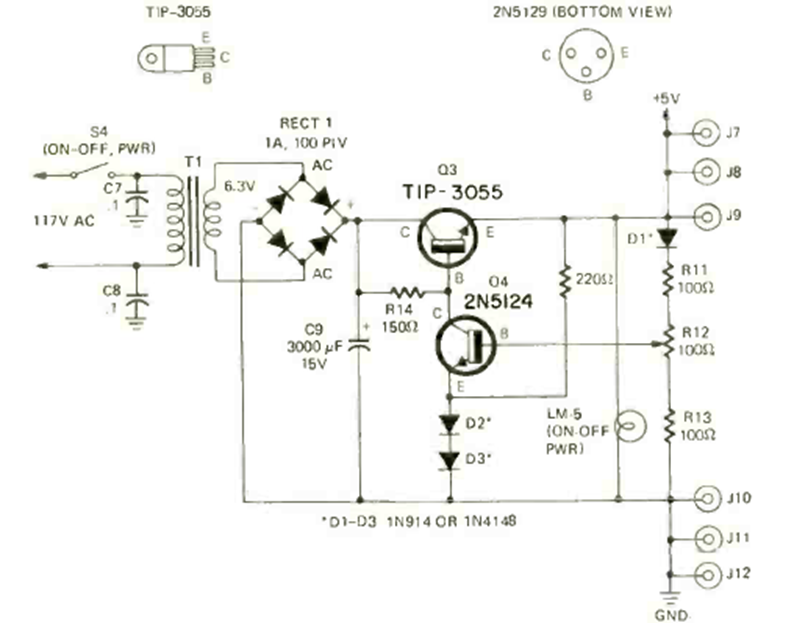
We found this TTL power supply circuit in the December 1972 issue of Radio Electronics magazine. The circuit uses a 1 A transformer and the 2N3055 transistor must be equipped with a good heat sink.
This circuit was found in a Radio Electronics from October 1952. The circuit equalizes the sounds...
This low frequency square wave oscillator using the 741 Operational Amplifier produces sound when...
We found this circuit in an old documentation. The instrument can be an ordinary multimeter in the...