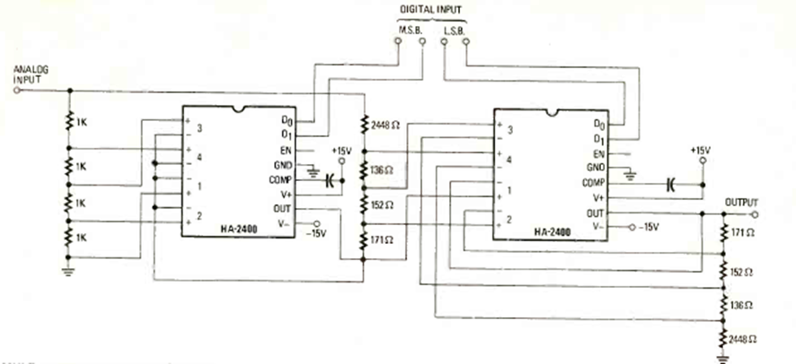
This digital to analog converter circuit was found in the March 1980 Radio Electronics magazine. The power supply should be symmetrical, and the digital controls can be TTL.
This circuit was found in a Radio Electronics from October 1952. The circuit equalizes the sounds...
This low frequency square wave oscillator using the 741 Operational Amplifier produces sound when...
We found this circuit in an old documentation. The instrument can be an ordinary multimeter in the...