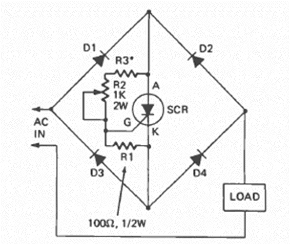
This circuit was found in the January 1975 Radio Electronics magazine. The diodes are current driven according to the controlled load, just like the SCR.

This circuit was found in the January 1975 Radio Electronics magazine. The diodes are current driven according to the controlled load, just like the SCR.
